施麦柯传动技术(昆山)有限公司欢迎您!
请登录
免费注册
热门搜索:
气立可,SMC气缸,亚德客气缸,弹性张紧装置,ROSTA橡胶弹簧,手指气缸,直线导轨
购物车
0
商品分类
台湾气立可CHELIC
气源处理元件
控制阀类
标准型气压缸
气源处理元件
控制阀类
标准型气压缸
真空类产品
气动机械夹爪
接头/补助元件
夹紧缸
回转气压缸
其他配件类
迷你型气压缸
阻挡气压缸
双轴气压缸
薄型(治具)气压缸
滑台型气压缸
导杆气压缸
无杆气压缸
电动缸
组力机械手
品牌推荐
日本SMC
电磁阀
气缸
摆动气缸/气爪
电磁阀
气缸
摆动气缸/气爪
电动执行器/电缸
真空用元件
气源处理元件
F.R.L组件/压力控制元件
配管&接头
速度控制阀
消音器/排气洁净器/气枪/压力机S
传感器/开关
流体控制元件
品牌推荐
台湾亚德客AIRTAC
气缸
控制阀
气动夹爪
气缸
控制阀
气动夹爪
三联件
接头配件
真空系列
品牌推荐
CUBE弹性支撑
ROSTA弹性支撑
商城首页
多人拼团
品牌专区
气立可CHELIC
日本SMC
亚德客AIRTAC
ROSTA
联系方式
首页
台湾气立可CHELIC
导杆气压缸
商品内容
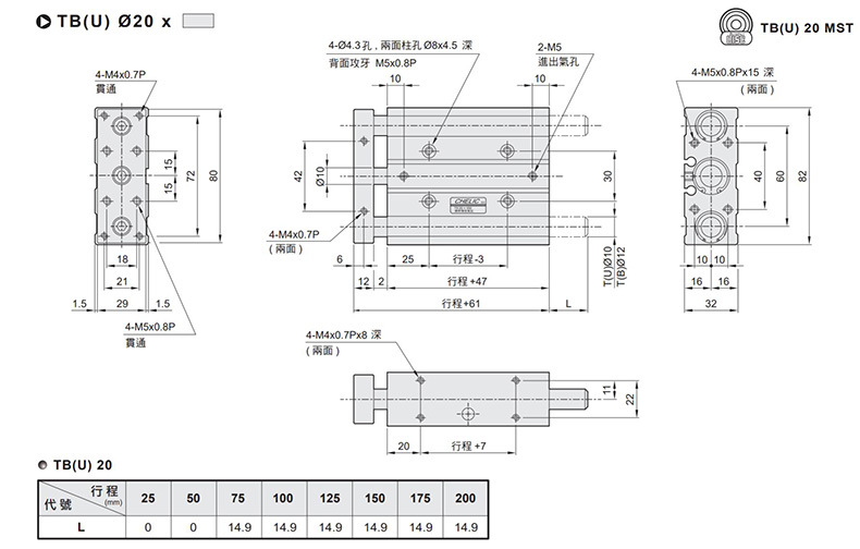
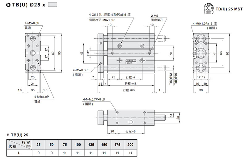
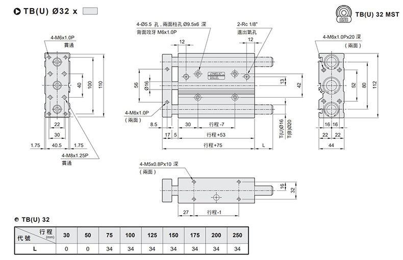
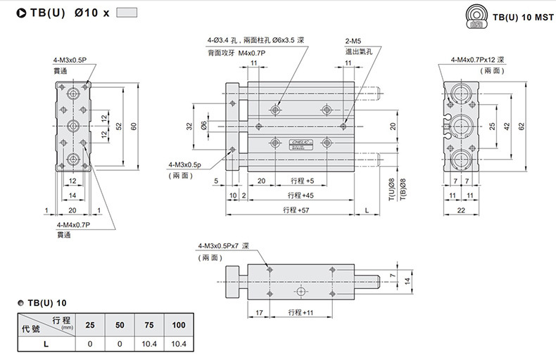
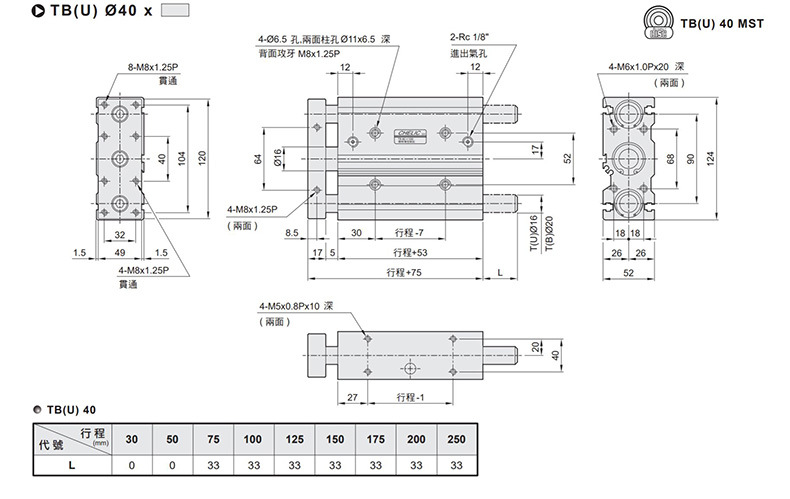
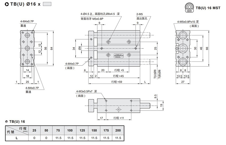
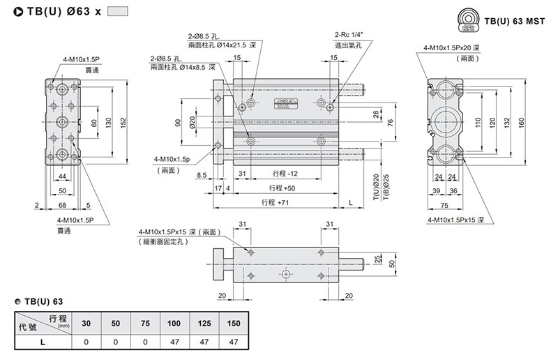
气立可CHELIC薄型导杆气缸TB/TU2/TCR / TCF系列
商品价格
价 格:
255.78
元
市场价:
255.78
元
已 售:
0 件
货号:
01251846231
品牌:
台湾气立可
请选择规格
型号:
TB2-16*25
TU2-20*100
TU2-63*50
TCF6375-SD2
TCF8075-SD2
数量:
库存:4995
立即购买
加入购物车
收藏
已售罄
正品行货放心选购
天天低价畅选无忧
专业工程师协助选型
多地直发极速配送
购物指南
支付方式
售后服务
关于我们
公司简介
联系方式
0512-57702362
工作时间:08:00 - 20:00
使用【微信】扫一扫加好友
我的会员
我的订单
我的收藏
网站地图
返回顶部